


電位器系列滑動電位器 F-101N產品簡介
F-101N電位器也可稱作直滑式電位器、滑動電位器等,主要為消費類數碼產品以及專業音響等所用到。
電位器系列滑動電位器 F-101N技術參數
阻值范圍(Ohms) :1K~500K
阻值偏差: ±20%
阻值變化特征: B
最高使用電壓:AC100V
額定功率: 0.03W
滑動雜音: <100MV
殘留阻值: Term.1-2 <10Ω
Term 2-3<20Ω
絕緣阻值: More than 50MΩ at DC100V
耐電壓 :1 minute at AC100V
電位器系列滑動電位器 F-101N機械特征:
滑動行程 : 10.0mm±0.5mm
滑動力: 5gf.cm~90gf.cm
止檔強度: 2.5 kgf.cm Min
推柄推拉承受強度: 1.0kgf.cm Min. at 10Sec
滑動壽命:10000cycles
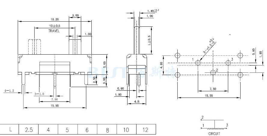
電位器系列滑動電位器 F-101N參考圖紙
單位:mm


Copyright © 廣東精密龍電子科技有限公司 版權所有 粵ICP備17035144號 粵公網安備44130202001184號
全國服務電話:0755-83205533 傳真:0755-83761155
公司地址:深圳市龍崗區龍崗大道8288號深圳大運軟件小鎮45棟2樓

